Каталог товаров и услуг
- Автотовары
- Аудио-Видео-техника
- Блоки питания
- Видеонаблюдение
- Домофоны
- Инструмент
- Канцелярия
- Кассовая Аппаратура
- Комплектующие для ремонта
-
Satvision
- AHD видеокамеры
- AHD-видеокамеры Divisat
- Купольные антивандальные камеры
- Купольные внутренние камеры
- Уличные камеры
- GSM сигнализация
- Cигнализация GSM
- IP видеокамеры
- Fisheye камеры
- IP PTZ
- IP-видеокамеры Divisat
- Wi-Fi камеры
- Купольные камеры
- Российское производство
- Уличные камеры
- IP видеорегистраторы
- 16-ти канальные
- 256-ти канальные
- 32-х канальные
- 4-х канальные
- 64-х канальные
- 8-ми канальные
- IP-видеорегистраторы Divisat
- IP видеосервер
- Дополнительное оборудование
- Сервера для IP видеокамер
- Аксессуары для видеонаблюдения
- External PoE
- SATABOX
- Wi-Fi мост
- Автономный комплект
- Блоки бесперебойного питания
- Блоки питания
- Гермокоробки
- Грозозащита
- Коммутаторы
- Кронштейны и крепления
- Микрофоны
- Объективы
- Переходники
- Приемопередатчики
- Прожекторы
- Разъемы
- АНD видеорегистраторы
- 16-ти канальные
- 32-х канальные
- 4-х канальные
- 8-ми канальные
- AHD видеорегистраторы Divisat
- Домофония
- AHD вызывные панели
- AHD домофоны
- IP вызывные панели
- IP домофоны
- Аналоговые вызывные панели
- Аналоговые домофоны
- Кабель
- Информационный кабель
- Кабель для видеонаблюдения
- Коаксиальный кабель
- Оборудование, снятое с производства
- AHD-видеокамеры
- AHD-видеорегистраторы
- GSM-сигнализация
- IP-видеокамеры
- IP-видеорегистраторы
- Wi-Fi-видеокамеры
- Аксессуары
- Домофония
- Кабель
- Программное обеспечение
- Лицензии IProject
- Лицензии SATVISION Smart Systems
- Модули аналитики
- Распознавание автомобильных номеров
- Распознавание лиц
- Проектное оборудование
- SP-серия
- Под проект
- Снято с производства
- Сопутствующая продукция
- Бесперебойные блоки питания
- Блоки питания
- Кабель силовой ШВВП
-
Каталог запчастей
- Аксессуары
- Зеркала заднего вида
- Наклейки
- Ручки руля декоративные
- Указатели поворотов
- Чехлы для смартфонов, камер, GPS
- Бензотехника
- Бензопилы
- Бензотехника (триммеры и мотобуры)
- Запчасти для бензопил
- Запчасти для бензотриммера
- Запчасти для мотоблоков
- Лодочные моторы, Винты
- Велосипеды
- BUMER
- FORWARD
- STELS
- Байкал
- Запчасти для велосипедов
- Запчасти для Китайских мотоциклов, скутеров, питбайков
- Запчасти для китайских мотоциклов
- Запчасти для китайских скутеров
- Запчасти для мопедов и квадроциклов с дв. 139FMB
- Запчасти для Питбайков
- Тюнинг для Скутера
- Запчасти для Российской мототехники
- Запчасти Мопед
- Запчасти Ява
- Мотороллер Муравей
- Мотоцикл Восход
- Мотоцикл Днепр
- Мотоцикл Иж
- Мотоцикл Минск
- Мотоцикл Урал
- Снегоход Буран
- Запчасти для японских скутеров
- Мотоэкипировка
- Мотоциклетные очки
- Мотошлемы
- Перчатки
- Подшлемники
- Экипировка
- Экипировка Scoyco
- Разное
- АКБ
- Зимние спортивные товары
- Инструмент
- Лампочки
- Литература
- Масла
- Мотобуксировщики Лебедев Моторс
- Мотовездеходы Атаман Лебедев Моторс
- Пластик
- Самокаты
- Сани-волокуши, расширители лыж
- Санки-ватрушки
- Свечи зажигания
- Цепь SFR
- Распродажа
- Резина
- Резина вело
- Резина квадроцикл
- Резина мотоциклетная Китай
- Резина Петрошина
- Электротранспорт
- CityCoco
- Гироскутер
- Гироскутеры и сигвеи
- Запчасти для электротранспорта
- Электровелосипеды СР
- Электромобили детские СР
- Электромотоцикл SUR-RON
- Электросамокаты СР
-
Мировые моторы
- Stihl (оригинальный инструмент и запчасти)
- Запчасти STIHL (оригинал)
- Авто-мото химия и масла
- Масла
- Автозапчасти, расходные материалы и автоаксессуары
- MAN
- ГАЗ / УАЗ / ЗИЛ
- Запчасти для ВАЗ
- Запчасти для грузового автомобиля МАЗ
- Запчасти для ИНОМАРОК
- Запчасти для КамАЗа на сайте w-motors.ru
- Запчасти для КИТАЙСКИХ автомобилей
- Камеры АВТО
- Масло трансмиссионное
- Патрубки силиконовые
- Предпусковые отопители
- СВЕЧИ автомобильные
- СПЕЦТЕХНИКА
- Тормозные колодки
- ТУРБОКОМПРЕССОРЫ
- ФОРСУНКИ
- Щётки стеклоочистителя
- Велосипеды и самокаты
- Самокаты
- Двигатели LIFAN, BASHAN, CHAMPION,HEMEN
- Двигатели CHAMPION
- Двигатели HEMEN
- Двигатели LIFAN
- ДОП ОБОРУДОВАНИЕ (ТЮНИНГ, для базовых двигателей)
- Двигатели LIFAN,HEMEN (запчасти)
- ЗИП двигателя HEMEN
- ЗИП двигателя LIFAN 152F-192F,GS200E (бензиновый)
- ЗИП двигателя LIFAN 1P70FV-B
- ЗИП двигателя LIFAN 2V78F/2V77F(24,0л.с.) 2V78F2-A PRO
- ЗИП двигателя LIFAN GS212E
- ЗИП двигателя LIFAN KP230,420,460
- ЗИП двигателя LIFAN LF170F-T
- ЗИП редуктора LIFAN
- Редуктор 139F-2 + запчасти
- Сцепление центробежное в сборе
- Запчасти для бензо- и электроинструмента отечественного и импортного производства
- Запчасти для бензопил Партнер
- Запчасти для бензопилы Хускварна (Husqvarna)
- Запчасти для китайских бензопил.
- ЗиП Газонокосилки
- ЗиП для водяных насосов
- ЗиП для компрессоров
- ЗиП для мотобура
- ЗиП для отечественных бензопил Дружба, Урал, Тайга
- ЗиП для электроинструмента
- ЗиП ЕСНО
- ЗиП мотокосы пр-ва Китай
- ЗиП Чемпион бензопилы
- ЗиП Чемпион газонокосилки
- ЗиП Чемпион мотокосы и пр.
- ЗиП Штиль
- ЗиП Электропил
- Насадки для бензопил и триммеров + ЗиП
- Режущий инструмент к триммерам, леска
- Цепи на б/пилу
- Запчасти для велосипедов и самокатов
- Велорезина
- Велоэкипировка
- Шлема Вело
- Запчасти для детской коляски
- Запчасти для импортных скутеров, мопедов, квадроциклов и мотоциклов
- FT50QT (2х т.,рычажная вилка, штамп 10", бар. торм.)
- FT50QT-10 (4х т., тел.вилка, диск 1 порш.скоба, алл. 12")
- FT50QT-18 (4х т., тел.вилка, диск 2 порш.скоба, алл. 10") (Стэлс лидер)
- FT50QT-3 (4х т., рычажная вилка, барабан. торм, штамп. 10")
- FT50QT-4A (4х т., тел.вилка, диск 2 порш.скоба, алл. 10") (Atlant racer 6,8,7)
- LB50QT-16 ACTIV,ACTIV NOVA,STALKER
- LB50QT-21 RAPIRAS,SCORPION (50 см3,2 зад.амортиз.,обод литой 12",дисков.пер.торм.,телеск.пер.вилка)
- LB50QT-21 TACO, TRACER (50 см3,2 зад.амортиз.,обод литой 12",дисков.пер.торм.,телеск.пер.вилка)
- LB50QT-38,39 "FEVER", "CYBER" (4х т., тел.вилка, 2 зад.аморт., диск 2 порш.скоба, алл. 12")
- Запчасти для Квадроциклов (ATV)
- Запчасти для питбайков RIZEE PH08K,PH08KE,PH09B,PH09BE
- Запчасти для Японских мотоциклов
- Запчасти для Японских скутеров
- Запчасти на двигатель 2х такт ТВ-50,60 (QT, QT-3)
- Запчасти на двигатель 4х такт (139QMB, GY6-50) 50см3 (короткие QT-4,-18, длинный QT-10)
- Запчасти на двигатель 4х такт (152-153QMI, 157-158QMJ; 161QMK) 125см3;150см3;170см3
- Запчасти на двигатель 4х такт (157FMI,162FMJ,163FML-2,167FMM, 125-250 см3) Ermak, Optimus, Simpler, Hunter(БЕЗ БАЛАНС.ВАЛА)(ШТАНГ ГРМ)
- Запчасти на двигатель 4х такт(CB125-250,CBB125-250: 157FMI-170FMM) (ЦЕПН.ГРМ)
- Запчасти оригинальные (фирменные) для скутеров (OMAKS, Racer, UMC, IRBIS, АВМ)
- ЗиП мотоцикл HONDA CB400
- ЗиП мотоциклы, питбайки TTR110-250; KAYO
- Мопед ALFA, Delta, Zodiak, Dingo, Atlant, Mustang, Atlant, Сити-Люкс, CM, ОВ-70
- МОПЕД STORM CROSS
- Мопед STORM INDIGO (125 cc, 1P52FMI или 1P54FMI)
- МОПЕД КТ50 SIGMA SPORT (запчасти совместимы только с моделями "WORLD MOTORS")
- МОТОЦИКЛ AD250A
- МОТОЦИКЛ ENDURO
- Мотоцикл ERMAK (150 см3)
- МОТОЦИКЛ HERO
- Мотоцикл OPTIMUS (150 см3)
- Мотоцикл PHANTOM, ZF-KY, EKONIKA (ZF250-2) (250 см3), ZONDER YCR150
- МОТОЦИКЛ SKYWAY
- Мотоцикл TRIUMPH, ZF-KY, EKONIKA (ZF250-1), FALCON SPEEDFIRE (250 см3)
- Резина для скутеров, мотоциклов, мопедов
- СКУТЕРЫ KINKER,RAVE,VIGO,TEMPO
- Трицикл LF200ZH-2
- Трицикл WM250ZH-2
- Фильтры масляные Hi-Flo
- Запчасти для лодочных двигателей
- Лодочные моторы Импортные
- Лодочный мотор HIDEA / TOHATSU / YAMAHA
- Лодочный мотор MERCURY
- Лодочный мотор SUZUKI
- Лодочный мотор ZONGSHEN
- Лодочный мотор Ветерок
- Лодочный мотор Вихрь, Салют
- Лодочный мотор Нептун
- Запчасти для мотокультиваторов, мотоблоков и минитракторов
- CHAMPION
- Агрос (Агро)
- Двигатель B&S, Mitsubishi
- Двигатель Honda
- ЗиП двигателя 170F,178F,186F,192F (для ДИЗЕЛЬНЫХ лёгких и средних мотоблоков)
- ЗиП двигателя R175, R180N, R185N, R190N, R195 (для ДИЗЕЛЬНЫХ тяжёлых мотоблоков, минитракторов)
- ЗиП мотоблок Урал
- ЗиП Мотоблок, мотокультиватор BRAIT
- ЗиП Мотолебедка
- Каскад, Луч, Нева, МБ
- Крот,Тарпан
- МБ-2М (редуктор, шасси)
- МиниТРАКТОР LW-12, LW-15 (ЗИП)
- Мотоблок SR1Z-135E (ЗИП)
- Мотоблок SR1Z-80E (ЗИП)
- Мотокультиватор SR1Z-45 (ЗИП)
- Мотокультиватор SR1Z-65A (ЗИП)
- Навесное оборудование Каскад-Нева-Агрос
- Навесное оборудование Крот-Тарпан
- Навесное оборудование Минитрактор
- Навесное оборудование Чемпион
- Запчасти для отечественных мотоциклов, мопедов и веломоторов
- Запчасти для картинга
- Запчасти для мотоциклов Муравей, Тула
- Запчасти Иж Планета
- Запчасти Иж Юпитер
- Запчасти Иж Юпитер, Иж Планета
- Запчасти на боковой прицеп Иж
- Запчасти на Восход, Сова
- Запчасти на Минск, Восход, Сова
- Запчасти на мопед, веломотор, мокик ЗиД50
- Запчасти на мотоцикл Днепр, МТ
- Запчасти на мотоцикл Минск
- Запчасти на мотоцикл Урал
- Запчасти на мотоцикл Ява
- Запчасти для снегоходов и мотобуксировщиков отечественного и импортного производства
- Запчасти для имортных снегоходов
- Запчасти для мотособак и мотобуксировщиков
- Запчасти для снегохода Рысь
- Запчасти для снегохода Тайга
- Запчасти на снегоход Буран
- ЗиП снегоходы DINGO T125/T125/T150, VENTO, мотобуксировщик МУХТАР
- Сани волокуши для снегоходов, мотособак и мотобуксировщиков
- Снегоход SnowFox
- Мотоаксессуары и принадлежности
- Аккумуляторы
- Аксессуары авто- мото- в ассортименте
- Ветровики
- ВИДЕОКАМЕРЫ, ЧЕХЛЫ, ДЕРЖАТЕЛИ, АКСЕССУАРЫ ДЛЯ ТЕЛЕФОНА
- Доп. освещение: фары, балки светодиодные (ATV, снегоходы, автомобили)
- Зеркала
- Инструмент (ручной инструмент, эл. инструмент, принадлежности, ЗиП)
- Кофры для мототехники (ящики задние)
- Лампы
- Литература
- Мотоодежда, экипировка
- Наклейки
- Поворотники
- Подшипники
- Прочие товары
- Свечи
- Тюнинг
- Чехлы для мототехники
- Шлемы
- Электрооборудование
- Мототехника
- Квадроциклы, машинокомплекты
- купить Мотоблоки, мотокультиваторы и мотолебедки
- Мопеды, мотовелосипеды
- Мотобуксировщики (мотособаки), снегоходы и мотосноуборды
- Мотоциклы, трициклы, питбайки
- Скутеры
- Снегоуборщики и запчасти к ним
- ЗИП СНЕГОУБОРЩИКОВ CHAMPION
- ЗИП СНЕГОУБОРЩИКОВ KC624S,KC626MS,KC929S (KC1129S),KCM24
- РУЧНЫЕ СНЕГОУБОРЩИКИ
- Снегоуборщики GardenPRO
- Товары для дома и дачи
- Бензогенераторы и бензиновые электростанции
- Бензопилы,мотобуры,электропилы,станки,воздуходувки
- Диски пильные по дереву
- Канистры
- Круги заточные и шлифовальные
- Круги отрезные
- Мебельная фурнитура
- Метизы
- Мотопомпы и моечные машины (мойки автомобильные)
- Погружные насосы
- Ручные садовые буры
- Садовые тачки и ЗИП
- Садовый инвентарь
- Сварочное оборудование
- Триммеры, мотокосы и газонокосилки
- Фермерство
- Электроинструмент
- Товары для хобби и развлечений
- Зимние виды товаров
- Лодочные моторы и надувные лодки
- Охота, Рыбалка, Туризм
- Электротранспорт
- ЗИП гироскутеров, моноколёс, электровелосипед,электросамокатов
- Электровелосипеды, гироскутеры, электросамокаты, сигвеи и моноколеса
-
Мотомир
- 35 СНЕГОХОДНАЯ ТЕХНИКА И ЗИП
- Авто запчасти и аксессуары
- 5 ВАЗ
- Щетки стеклоочистителя METO бескаркасные (мето)
- Веломоторы F50, F72, F80, 80E, F100, 4х тактные
- Веломоторы голые (без комплекта для установки)
- Веломоторы МАССОВЫЕ модели
- Велосипеды
- 10 Велосипеды AIR-T
- 12 Велосипеды трюковые BMX
- 13 Велосипеды грузовые
- 21 Самокаты
- 23 Велосипеды с МОТОРОМ
- 25 ВелоМОТОРЫ (двигатели ДВС для велосипедов)
- Ветровые щитки (ветровики)
- Генераторы, Мотопомпы LIFAN
- 3 Генераторы LIFAN
- ЗиП
- Двигатели универсальные LIFAN
- Двигатели в сборе LIFAN
- Запчасти для бензопил, мотокос
- 4 Шины на бензопилы
- ЗиП для Б/П "Цыганка" (Китайские пилы с названиями типа -38/-45/-52 и т.д.)
- ЗиП для Б/П Урал и Дружба
- ЗиП для Хускварна
- ЗиП для Штиль
- ЗиП мотокос
- Режущий инструмент к триммерам
- Цепи на б/пилу
- Запчасти для веломоторов F50, F72, F80, F100, 4Т
- Веломотор 4х тактный
- Запчасти для велосипедов
- 03 microSHIFT Велозапчасти
- 1 SHIMANO Велозапчасти
- 13 ЗИП для MTB (горных велосипедов)
- 14 ШЛЕМА Вело
- 17 Вело аксессуары
- архив
- Запчасти для двигателей LIFAN
- Запчасти для двигателей LIFAN 168-FA2 (МБ-2М), 160F - 192F (от 4 до 15 лс.), 168F-R
- Запчасти для двигателей LIFAN 192F, 192F2 (17.0/18.5 л.с.)
- Запчасти для двигателей LIFAN 2V77F-A, 2V78F (24, 27 лс) (Буран)
- Запчасти для двигателей LIFAN 2V80F (27, 29 лс)
- Запчасти для двигателей LIFAN GS212E (11 л.с.)
- Запчасти для двигателей LIFAN KP230 (8+ л.с.)
- Запчасти для двигателей LIFAN KP460 (20 л.с)
- Запчасти для лодочных моторов импортных
- 2HP/3HP
- 9,9HP/15HP/18HP
- Винты гребные
- Запчасти для лодочных моторов СССР
- Запчасти для лодочных моторов Ветерок
- Запчасти для лодочных моторов Вихрь, Салют
- Запчасти для Минск, Восход, Сова (общие)
- Запчасти для мопедов СССР
- Запчасти для МОПЕДОВ, СКУТЕРОВ, ATV (КИТАЙ)
- Запчасти для МОПЕДОВ (АЛЬФА, ,Zodiak, и пр., ЗИП двигателя в соотв. папке)
- Запчасти для МОТОЦИКЛОВ производства Китай (FALCON, HUNTER, FIGHTER и проч)
- Запчасти для СКУТЕРОВ (Китай) 50-150 куб.см. (ЗИП двигателя см. в соотв.папке)
- ЗиП для ДВИГАТЕЛЕЙ МОТОТЕХНИКИ
- Запчасти для мотоблоков, культиваторов
- Агрос
- Дизель R180, R190, R192
- Дизель КА186 /КА178 F (МТ-9)
- ЗиП Мотолебедка МЛ-1М "Бычок"
- Каскад, Луч, Нева
- Крот
- МБ-2М (редуктор, шасси)
- Запчасти для мотоцикла Днепр, МТ
- Запчасти для мотоцикла Урал
- Запчасти для мотоциклов Восход, Сова
- Запчасти для мотоциклов Минск
- Запчасти для мотоциклов Иж
- Запчасти для Иж Планета, Иж Юпитер (общие)
- Запчасти для мотоцикла Иж Планета
- Запчасти для мотоцикла Иж Юпитер, Иж Юнкер
- Запчасти для мотоциклов Муравей, Тула
- Запчасти для мотоциклов Ява
- Запчасти для СКУТЕРОВ, МОТО, МЦ (ЯПОНИЯ)
- ЗИП для мотоцикла HONDA CB400
- ЗИП для мотоцикла YAMAHA YBR125
- Зип для скутеров HONDA
- Зип для скутеров SUZUKI
- Зип для скутеров Yamaha
- Ремни и ролики вариатора для япоинских скутеров
- Запчасти для снегоходов
- Запчасти для импортных снегоходов (YAMAHA, BRP, POLARIS)
- Запчасти для снегохода SnowMax (Cronus, S2, TaoTao) , не разборная рама
- Запчасти для снегохода Буран
- Запчасти для снегохода Рысь
- Запчасти для снегохода Тайга
- Запчасти для снегоходов IRBIS DINGO Т110/Т125/150, мотобуксировщиков
- Запчасти для электроATV, электро-велосипедов
- ЗиП для электро ATV NITRO
- ЗиП для электро ATV RATCHET
- ЗиП для электро скутер DT3
- ЗиП для электро скутер SUMAI
- ЗиП для электро скутер М6
- Запчасти Мото-самокатов, детских ATV
- Зеркала для мототехники
- Зимние виды товаров
- Для лыжников
- Ледоступы (накладки на обувь)
- Очки (маски) горнолыжные
- Шнеки для ледобуров
- ИЗМЕЛЬЧИТЕЛИ ВЕТОК
- Измельчители веток БОБЁР (Ижтехмаш)
- Инструмент, инструмент для МОТОсервиса
- Инструмент ИМПОРТ для СЕРВИСА
- Машинки детские электрические
- Запчасти для машинок детских
- МОПЕДЫ
- МОТО-АКСЕССУАРЫ
- Аксессуары для ATV (квадроциклов)
- Аксессуары для мопеда ALPHA (Альфа)
- Аксессуары для шлемов
- Декор мото
- Зарядные устройства
- Защита рук
- Кофры багажные (задние и боковые) для мототехники
- Крепления багажа (сетки, "пауки")
- Ксенон, Светотехника
- Лампы светодиодные (LED)
- Масло ЛУКОЙЛ и другое импортное
- МЕТИЗЫ для мототехники
- Миксеры для 2х тактных двигателей (мешать бензин+масло)
- Наклейки на колесные диски
- Насосы
- Подогрев
- Приборы
- Прикуриватели (-электророзетки)
- Противоугонные устройства
- Ручки руля
- Сигнализации
- ТЮНИНГ
- Фильтры нулевого сопротивления
- Химия (краски, аэрозоли и прочее)
- Химия МОТО
- Хомуты универсальные
- Чехлы для мототехники
- Шипы для покрышек
- МОТО-ДВИГАТЕЛИ в сборе
- Двигатели ZONGSHEN
- Двигатели ВАНЧАНГ
- Двигатели для питбайков
- Мотобуксировщики ИЖТЕХМАШ
- Аксессуары и опции для буксировщиков ЛИДЕР
- Буксировщики компактные СИГМА (гусеница 500 мм) без лыжного модуля
- Буксировщики ЛИДЕР с двигателем LIFAN SPORTS (15 л.с., обороты 4500 с завода, 190FD-S)
- Мотобуксировщики компаткные БЕЛКА
- Мотобуксировщики ЛИДЕР (большие и мощные)
- Мотобуксировщики ЛИДЕР-ДЕЛЬТА (компактные)
- Мотобуксировщики ЛИДЕР-СИГМА (компактные с лыжным модулем)
- Снегокаты и сноуборды (МОТО)
- Мотобуры
- МОТОЛЕБЁДКИ (ИЖТЕХМАШ)
- КОМПЛЕКТЫ Лебедка + Навесное
- МОТООДЕЖДА, ЭКИПИРОВКА
- 1 Мотоэкипировка SCOYCO
- 2 Мотоэкипировка PRO-BIKER
- Банданы и платки
- Защита тела
- Очки VEMAR
- Очки для езды на скутере/мотоцикле/АТВ
- Подшлемники
- МОТОЦИКЛЫ
- 71 Мотоциклы TVS (Индия)
- Мотоциклы 400 см 3
- Питбайки
- Мотоциклы ZONGSHEN
- Мотоциклы внедорожные (ЭНДУРО)
- Мотоциклы СКАУТ (ИЖТЕХМАШ)
- 80 СКАУТ-10
- 85 СКАУТ-11 (ВАРИАТОР)
- ATV машинокомплекты
- Аксессуары и опции для мотоциклов СКАУТ
- СКАУТ-2, СКАУТ-1 (РЕДУКТОР С АВТОМАТИЧЕСКИМ СЦЕПЛЕНИЕ). Двигатель LIFAN
- СКАУТ-3 (ВЕРТИКАЛЬНЫЙ ДВИГАТЕЛЬ)
- СКАУТ-3 Двигатель типа Альфа ГОРИЗОНТАЛЬНЫЙ, КПП (механика или автоматическое сцепление)
- СКАУТ-5 ПОЛНЫЙ ПРИВОД
- СКАУТ-6 Колеса 18"
- СКАУТ-7 БОЦМАН колеса GIANT
- СКАУТ-САФАРИ 4 (горизонтальный двигатель, колеса как у Сафари).
- СКАУТ-САФАРИ BIGFOOT (РЕДУКТОР С АВТОМАТИЧЕСКИМ СЦЕПЛЕНИЕМ) Двигатель LIFAN.
- СПАРК (СУХОЕ АВТОМАТИЧЕСКОЕ СЦЕПЛЕНИЕ). Двигатель LIFAN универсальный.
- Трициклы СКАУТ
- НАСАДКИ для БЕНЗОПИЛ (ИЖТЕХМАШ)
- Запчасти для насадок
- Поворотники (боковые фонари)
- Подшипники
- Прицепы мото, ATV
- Резина для велосипедов
- CHAOYANG велопокрышки и велокамеры
- GAINWAY Велокамеры и Велорезина
- WANDA велопокрышки и велокамеры
- Велорезина и велопокрышки (СN)
- ПЕТРОШИНА
- РЕЗИНА МОТО, ATV Покрышки Камеры
- Резина YUANXING (KINGSTONE) - часто стоит в стоке на китайской мототехнике
- Резина фирменная WANDA (АТV стоит на RM, BM, STELS, SAGITTA и прочих)
- Резина фирменная WANDA мото
- Цепи противоскольжения
- СКУТЕРЫ
- Снегоуборочные машины (запчасти)
- Снегоуборочные машины и запчасти
- СУВЕНИРЫ МОТО, МОТО-ПОДАРКИ
- Брелки мото
- Рекламное оформление, промо-материалы
- ТРИЦИКЛЫ
- Цепи промышленные
- ШЛЕМЫ МОТО
- 41 Очки NORTH WOLF
- 44 Очки PHOENIX
- Шлемы COBRA
- Шлемы COBRA (HH)
- Шлемы FALCON
- Шлемы KIRIN
- Шлемы NITRO
- Шлемы SAFELEAD
- Шлемы SHIRO
- Шлемы TANKED
- Шлемы TVS RACING (Индия)
- Шлемы VEGA
- Шлемы YAMAPA
- Щетки стеклоочистителя METO бескаркасные
- Щетки в БЛИСТЕРЕ (в блистерной одноразовой упаковке
- Щетки в КОРОБОЧКАХ (картонной многоразовой упаковке)
- Сейфы
-
Фурнитура
- Автоматические пороги
- Врезные
- Накладные
- Броненакладки и пластины
- Бронированные накладки
- Бронированные пластины
- Глазки дверные
- С пластиковой оптикой
- Со стеклянной оптикой
- Дверные гидравлические доводчики
- Координатор закрывания двустворчатых дверей
- Профессиональные
- Пружинные
- С рычажной тягой
- Скрытой установки
- Со скользящей тягой
- Тяги к доводчикам
- Электромеханические
- Дверные упоры и ограничители
- Дверные ограничители торцевые
- Дверные упоры напольные
- Дверные упоры настенные
- Заготовки ключей, ключи
- Дубликаты
- Комплекты ключей для перекодировки замков
- Задвижки
- Девиаторы
- Для легких дверей
- Для металлических дверей
- Замки врезные
- Для легких дверей
- Для металлических дверей
- Для противопожарных дверей
- Для профильных дверей
- Замки навесные
- Бытовые
- Всепогодные
- Гаражные
- Общего назначения
- Тросовые
- Электронные
- Замки накладные
- Для легких дверей
- Для металлических дверей
- Защелки
- Без ручек в комплекте
- С ручками в комплекте
- Мех-мы секретности
- Для сувальдных замков
- Монтажная пена, герметики, клеи
- Бытовая монтажная пена
- Герметик
- Клей ПВА
- Профессиональная монтажная пена
- Накладки/WC-комплекты
- Декоративные накладки
- Накладки на раздельном основании
- Ручки поворотные/WC-комплекты
- Петли
- Аксессуары
- Ввертные
- Для профильных дверей
- Накладные (карточные)
- Приварные
- Пружинные
- Скрытой установки
- Скрытой установки для металлических дверей
- Стрелы
- Ручки дверные
- Для раздвижных дверей
- На планке
- На раздельном основании
- Ручки-кнопки
- Скобы
- Ручки защелки (KNOB)
- Поворотные
- Фалевые
- Системы антипаника
- Аксессуары для систем антипаника
- Замки с функцией анти-паник
- Механизмы анти-паник
- Овальные штанги
- Системы видеонаблюдения
- Видеоглазки
- Камеры внешнего наблюдения
- Камеры внутреннего наблюдения
- Системы открывания
- Маятниковые двери
- Профили и комплектующие
- Раздвижные системы
- Распашные системы
- Складные системы
- Уплотнитель
- Без клеевой основы
- Самоклеящийся
- Термолента
- Фурнитура
- Декоративный колпачок
- Для металлических дверей
- Заглушка
- Квадраты для ручек
- Кронштейны
- Метизы
- Монтажные пластины для доводчиков
- Ответные планки
- Противосъемы
- Проушины
- Прочее
- Пружины дверные
- Регулятор прижима
- Стучалки
- Терморазрыв
- Уголки
- Эксцентрик
- Фурнитура для окон
- Ручки оконные
- Фурнитура мебельная
- Крючки настенные
- Лицевая фурнитура
- Опоры
- Петли мебельные
- Ручки мебельные
- Функциональная фурнитура
- Цилиндровые механизмы
- Поворотники
- С индивидуальным ключом
- Цифры дверные
- ABS-пластик
- INOX 304
- Электромеханические замки
- Аксессуары для элек. мех. замков
- Врезные электромеханические замки
- Накладные электромеханические замки
- Электронные замки Smart Lock
- Rotator
- Врезные замки
- Накладные замки
- Ящики почтовые
- Компьютерная переферия
- Крепеж
- Кронштейны
-
ОПС
- 2. Извещатели пожарные
- 3. Приборы приемно-контрольные охранно-пожарные
- 6. Источники питания
- Аккумуляторы
- 7. Звуковые и световые оповещатели
- 7.1 Звуковые оповещатели
- 7.3 Комбинированные оповещатели
- 7.4 Устройства речевого оповещения
- 7.5 Устройства речевого оповещения "СОНАТА"
- 7.6 Указатели
- 8. Беспроводное оборудование
- Прочее
- I. Системы охранно-пожарной сигнализации
- 1.Извещатели охранные
- Сибирский арсенал
- Пульты
- Разное
- Расходные материалы
- Сетевые удлинители/фильтры
- СКУД
- Спутниковое оборудование
- Стабилизаторы Напряжения
- Телефоны
- Услуги
- Шнуры
- Эл. Лампы/Прожекторы/Фонари/Светильники
- Элементы питания
- Эфирное оборудование
Наши горячие новости в Калуге компании Инженер
Инсайдер назвал цены на смартфоны Samsung Galaxy S9 и S9+
Инсайдер Эван Бласс сообщил, по каким ценам будут продаваться новые корейские смартфоны Samsung Galaxy S9 и S9+. Согласно информации Бласса, Samsung Galaxy S9 обойдется покупателю в 841 евро. Samsung Galaxy S9+ будет стоить 997 евро.
Lenovo и Razer представят новую линейку ко-брендовых игровых устройств
По предварительным сведениям, разработки планируют вести над созданием новых компьютеров линейки Y. Западным СМИ удалось разведать информацию по поводу предстоящего тандема еще до официального подтверждения сведений.
Неподтвержденные слухи: IPhone 7 получит изогнутый по краям экран
В сети появились неподтвержденные слухи, что очередной iPhone 7 от Apple может получить гибкую панель, которая позволит загибать боковые стороны.
Подписка на новости компании
Подпишитесь на рассылку и получайте свежие новости и акции нашей компании.
Коллекции в компании Инженер в Калуге интересные
Коллекция For men
В данной коллекции подобраны товары для настоящих мужчин.
Аксессуары
В данной коллекции представлены самые шикарные аксессуары 2015 года: сумки, ремни, часы и другое.
Блог
Новый iphone x уже в продаже! успей купить
Разработчики каждого следующего поколения смартфонов утверждают, что он является лучшим из всех когда-либо выпущенных. То же самое говорят создатели iPhone X.
Стала известна будущая игровая линейка Xbox One
Пользователи форума ResetEra обсудили будущую игровую линейку Xbox One. Инсайдером выступил Klobrille. Стало известно, какие новые игровые проекты появятся для консоли Xbox One.
LG G7 получит оригинальный интернет-бумажник
Новый смартфон LG G7 получит оригинальный интернет-бумажник с особой защитой. Новшество можно будет использовать в качестве безопасного приложения для сетевых трансакций. Новый гаджет пока не был анонсирован корейским брендом
- Главная страница
- •
- Каталог товаров и услуг
- •
- Фурнитура в Калуге недорого
- •
- Цилиндровые механизмы в Калуге недорого
- •
- С индивидуальным ключом в Калуге недорого
- •
- R600 в Калуге недорого
- •
- Fuaro (Фуаро) R602 в Калуге недорого
- •
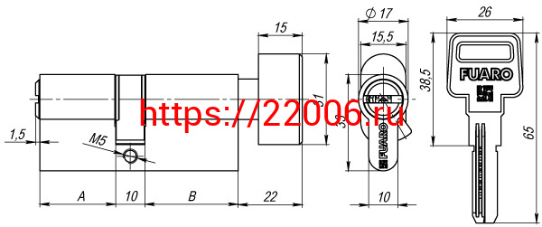
- Цилиндровый Fuaro (Фуаро) механизм (R602) R6002Knob68(26+10+32) CP хром 5Key с вертушкой в Калуге недорого

Купить в 1 клик
Сравнение
В избранное






















В корзину
Проконсультироваться
Торговаться
Рассчитать доставку

